Partfinder: Alternative to SparkFun's Rotary Encoder
ladyada maintains a wiki page of parts called Partfinder, so I thought I might just use the name because I lack creativity. Hope she doesn’t mind.
I bought a couple of the rotary encoders that SparkFun carries through a local online store here called sgbotic.com for S$4.95 and I was wondering whether there were any other similar alternatives. I did a search on my favourite component distributor, now called element14, and it turns out there is a cheaper alternative! So I thought I’d share it here.
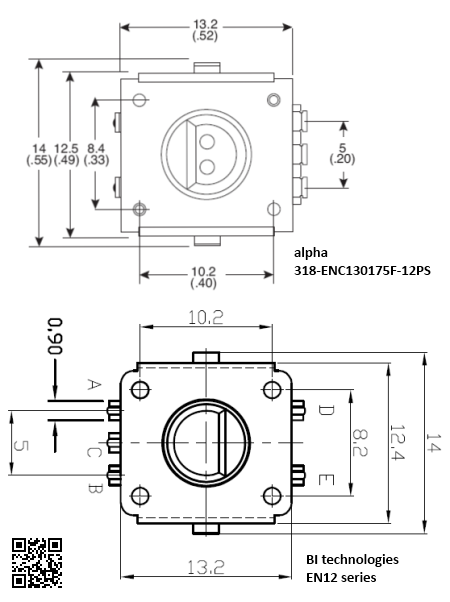
The dimensions are quite similar, though I wouldn’t recommend trying to use the same footprint from SparkFun’s Eagle library. Here is a comparison of their dimensions extracted from the 2 datasheets:

The rotary encoder has a tactile switch you can push the knob inwards to activate, features 12 detents per revolution and has 0.1" pin pitch for breadboard-ability (although the 2 thicker support hooks by the side do get in the way). The one carried by SparkFun is by alpha (I don’t know the full manufacturer name), and the one carried by element14 is from BI Technologies.
The EN12 series from BI technologies offer a couple of variants, and the variant closer to the one offered by SparkFun is the EN12-HS11AF25 (link to element14 product page), although the shaft length is longer. The one with a shorter shaft is either without the switch, or has a higher resolution with 24 detents per revolution (not a bad thing).
The EN12 series ranges from S$2.02 to S$2.60 in single quantities. How great is that?!